アーバンデコフェンス AFシリーズ
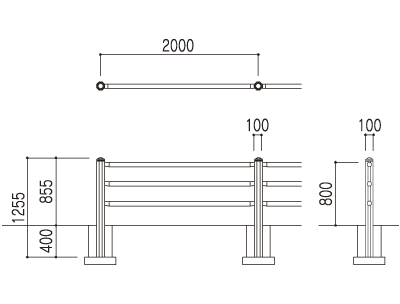
アーバンデコフェンス AF-20-082
  • 図面ダウンロード
  • デジタルカタログで見る
  • 施工写真
製品名
アーバンデコフェンス AF-20-082
製品記号
AF-20-082
規格寸法
(独立基礎)H:1,255(BH:800)×S:2,000
(連続基礎)H:1,055(BH:800)×S:2,000
目的別
横断防止柵(P種)
参考重量
20.5kg/m(独立基礎)・18.5kg/m(連続基礎)

▲ページトップへ戻る▲

アーバンデコフェンス AF-20-082
アーバンデコフェンス AF-30-082
  • 図面ダウンロード
  • デジタルカタログで見る
  • 施工写真
製品名
アーバンデコフェンス AF-30-082
製品記号
AF-30-082
規格寸法
(独立基礎)H:1,255(BH:800)×S:3,000
(連続基礎)H:1,055(BH:800)×S:3,000
目的別
横断防止柵(P種)
参考重量
16.3kg/m(独立基礎)・15.0kg/m(連続基礎)

▲ページトップへ戻る▲

アーバンデコフェンス AF-30-082
アーバンデコフェンス AF-20-083
  • 図面ダウンロード
  • デジタルカタログで見る
  • 施工写真
製品名
アーバンデコフェンス AF-20-083
製品記号
AF-20-083
規格寸法
(独立基礎)H:1,255(BH:800)×S:2,000
(連続基礎)H:1,055(BH:800)×S:2,000
目的別
横断防止柵(P種)
参考重量
24.5kg/m(独立基礎)・22.5kg/m(連続基礎)

▲ページトップへ戻る▲

アーバンデコフェンス AF-20-083
アーバンデコフェンス AF-30-083
  • 図面ダウンロード
  • デジタルカタログで見る
  • 施工写真
製品名
アーバンデコフェンス AF-30-083
製品記号
AF-30-083
規格寸法
(独立基礎)H:1,255(BH:800)×S:3,000
(連続基礎)H:1,055(BH:800)×S:3,000
目的別
横断防止柵(P種)
参考重量
20.3kg/m(独立基礎)・19.0kg/m(連続基礎)

▲ページトップへ戻る▲

アーバンデコフェンス AF-30-083
アーバンデコフェンス AF-20-113
  • 図面ダウンロード
  • デジタルカタログで見る
  • 施工写真
製品名
アーバンデコフェンス AF-20-113
製品記号
AF-20-113
規格寸法
(独立基礎)H:1,605(BH:1,100)×S:2,000
(連続基礎)H:1,355(BH:1,100)×S:2,000
目的別
転落防止柵(P種)
参考重量
27.0kg/m(独立基礎)・24.5kg/m(連続基礎)

▲ページトップへ戻る▲

アーバンデコフェンス AF-20-113
アーバンデコフェンス AF-30-113
  • 図面ダウンロード
  • デジタルカタログで見る
  • 施工写真
製品名
アーバンデコフェンス AF-30-113
製品記号
AF-30-113
規格寸法
(独立基礎)H:1,605(BH:1,100)×S:3,000
(連続基礎)H:1,355(BH:1,100)×S:3,000
目的別
転落防止柵(P種)
参考重量
22.0kg/m(独立基礎)・20.3kg/m(連続基礎)

▲ページトップへ戻る▲

アーバンデコフェンス AF-30-113
アーバンデコフェンス AF-20-11KC
  • 図面ダウンロード
  • デジタルカタログで見る
  • 施工写真
製品名
アーバンデコフェンス AF-20-11KC
製品記号
AF-20-11KC
規格寸法
(独立基礎)H:1,605(BH:1,100)×S:2,000
(連続基礎)H:1,355(BH:1,100)×S:2,000
目的別
転落防止柵(P種)
参考重量
28.5kg/m(独立基礎)・26.0kg/m(連続基礎)

▲ページトップへ戻る▲

アーバンデコフェンス AF-20-11KC
アーバンデコフェンス AF-30-11KC
  • 図面ダウンロード
  • デジタルカタログで見る
  • 施工写真
製品名
アーバンデコフェンス AF-30-11KC
製品記号
AF-30-11KC
規格寸法
(独立基礎)H:1,605(BH:1,100)×S:3,000
(連続基礎)H:1,355(BH:1,100)×S:3,000
目的別
転落防止柵
参考重量
23.3kg/m(独立基礎)・21.7kg/m(連続基礎)

▲ページトップへ戻る▲

アーバンデコフェンス AF-30-11KC